概述
产品名称:ArdUNO FM收音机焊接组装套件
产品型号:QGP-RD86A
工作电压:USB-5V或3节7号(AAA)电池
收音波段:调频FM波段,频率范围:87.5MHz~108MHz
源代码下载链接:点击下载
安装视频B站源地址:点击查看
一、元件焊接:
- 必备工具:电烙铁、焊锡丝、斜口钳(或者指甲剪)
- 焊接顺序:先焊较薄的贴片元件(IC贴片、FM模块等),再将高度相近的元件依次分批焊接。
- 焊接注意事项:
- 二极管LED灯、电解电容、红外接收器和电池都有正负极,引脚不能焊错;
- IC元件、FM模块、4位数码管多引脚元件要注意安装方向,核对好再焊,否则很难拆卸;
- 电阻、独石电容不分正负极,但要注意数值型号;
- 各元件尽量插到底挨着底板,高度太高会影响外壳的安装,电阻电容等较长的引脚用斜口钳剪短(没用斜口钳可以用指甲剪);
- 所有元件焊好后,不要急于通电,仔细检查焊点是否有虚焊、短路。
重要提示:焊接前,一定要核对好元件极性和芯片引脚方向。尤其是多引脚元件,一旦焊错很难拆卸。如果新手第一次用电烙铁,请先上网找相关视频学习实践再正式组装。

二、外壳组装:
撕掉保护膜,将单头铜柱螺丝纹面向PCB板正面插入,从背面用双通铜柱依次拧紧。将后盖板(半透明)安装好拧紧螺丝,再安装4边侧板,最后盖上前面板(透明),对好孔位,拧紧螺丝。
三、布局图:


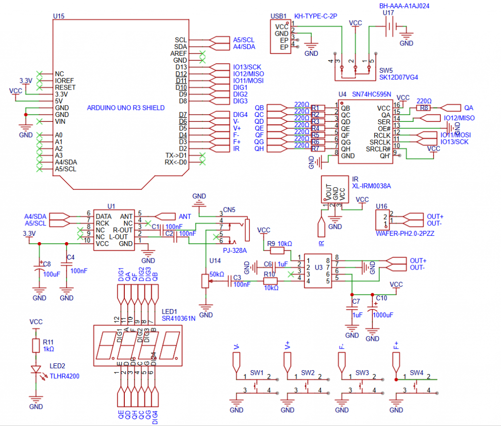
四:原理图

红外遥控器功能演示

五、成品展示




原创文章,作者:奇果派工坊,如若转载,请注明出处:https://www.7gp.cn/archives/1668
